Robert Müser; im Vordergrund Schacht Gustav, im Hintergrund Schacht Arnold

RAG Wasserhaltung

Schachtumbaumaßnahmen sowie begleitende Maßnahmen zur Überwachung und Gewährleistung des Pumpenbetriebs der Grubenwässer

Auftraggeber

RAG Aktiengesellschaft

Ort

Bochum und Essen, Deutschland

Ausführungszeitraum

2020

bis vsl. 2025

REDPATH DEILMANN ist beauftragt, Schachtumbaumaßnahmen und die Überwachung des Pumpenbetriebs zur Wasserhaltung durchzuführen.

Wichtige Standorte

  • Bergwerk Robert Müser: Schacht Arnold und Schacht Gustav
  • Bergwerk Heinrich: Schacht Heinrich 3, Holthuser Tal und Blindschacht SO711

REDPATH DEILMANN überwacht den Pumpbetrieb an beiden Standorten kontinuierlich. Die täglichen Wartungen in den Pumpenkammern gewährleisten eine sichere Wasserhaltung. Die Grubenwarte der RAG überwacht den Betrieb zusätzlich und koordiniert bei Bedarf Bereitschaftseinsätze. Diese werden umgehend ausgeführt, um die Kontinuität des Pumpbetriebs sicherzustellen.

Neben der Wasserhaltung übernehmen wir täglich die Überwachung und Dokumentation der Wetterdaten sowie der Brandschutzeinrichtungen. Ebenso gehört die Einhaltung der BVOS-Vorgaben zu unseren Aufgaben. Alle erforderlichen Instandsetzungsarbeiten an den Anlagen werden erfasst und durchgeführt.

Grafische Darstellung der Tauchpumpen auf im Bergwerk Robert Müser in Bochum

Das Ziel der Wasserhaltung besteht darin, zu verhindern, dass Sedimente und Mineralien im Grubenwasser das Grundwasser, das für die Trinkwassergewinnung genutzt wird, verunreinigen.

Aktueller Stand der Arbeiten

Bergwerk Robert Müser

Schacht Arnold: Kontroll- und Wartungsarbeiten
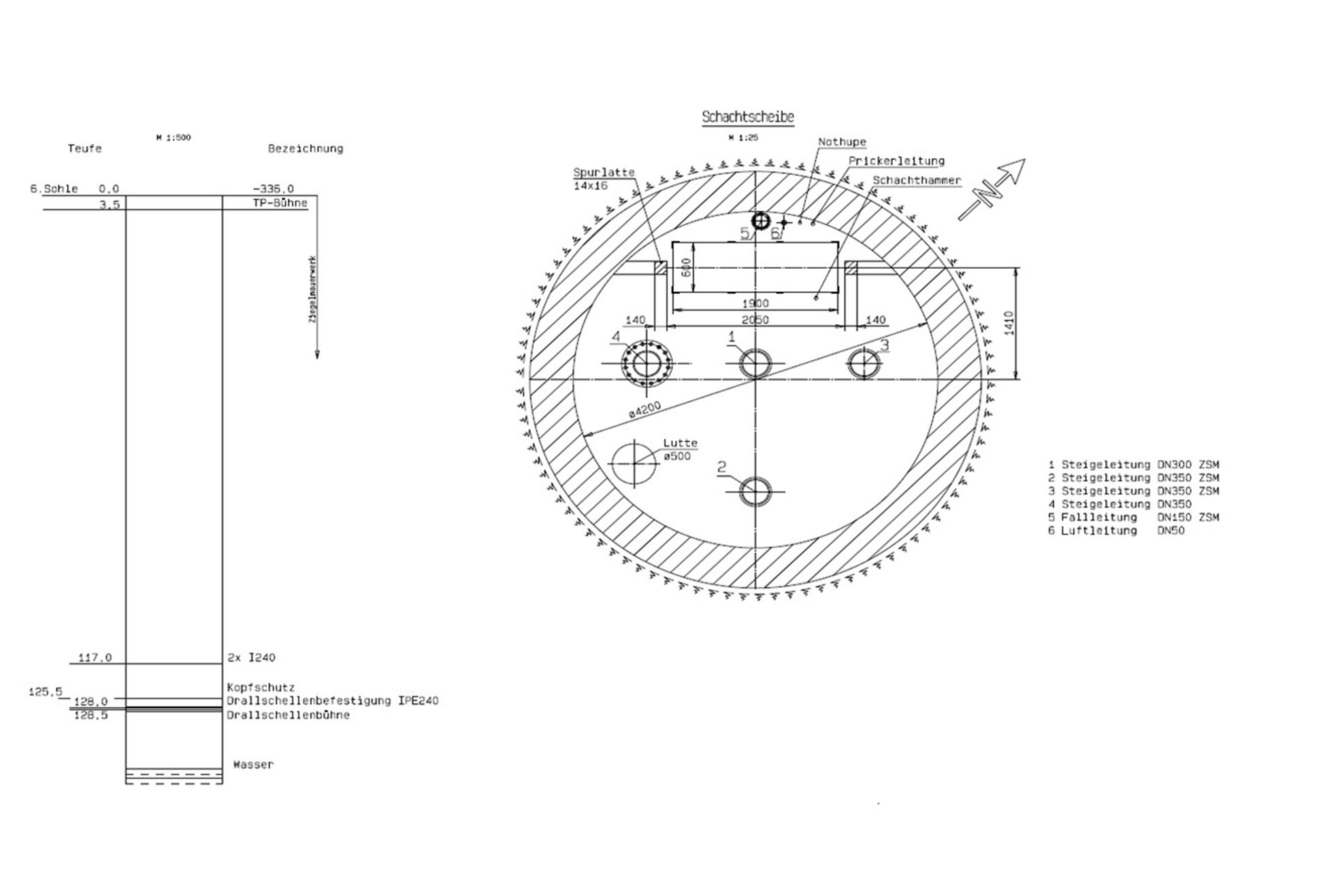
  • Tägliche Überprüfung der Rohrleitungen (Steigleitungen, Luft- und Wasserversorgungsleitungen, Fallwasserleitungen) auf Dichtheit
  • Behandlung des gehobenen Grubenwassers mit einer Wasserstoffperoxid-Anlage, anschließende Einleitung in die Harpener Teiche
Steigeleitung 5 – Austausch korrodierter Schrauben
  • Austausch der korridierten Rohrverbindungsschrauben zur Gewährleistung der Betriebssicherheit
Tauchpumpenwartung
  • 2024: Alle drei Tauchpumpen werden gezogen, repariert, gewartet und wieder eingebaut
  • Jede Pumpe benötigt mehrere Wochen für die Wartung, um die Anlagenverfügbarkeit sicherzustellen
Seilscheibenarbeiten am Schacht Arnold 
  • Demontage west-östlicher Seilscheibe
  • Installation neue Lager
  • Nach Montage: Versetzung der Seilscheibe auf westliche Position und Ablage des Förderseils
Sanierung im Schacht Gustav
  • Abschluss des letzten Sanierungsabschnitts unterhalb des Hängedamms (24 Meter Länge)
  • Nach Fertigstellung: Demontage der Hubzugbühne und des Fahrtentrums
  • Künftige Überprüfung des sanierten Bereichs durch quartalsweise Kamerabefahrung

 


Bergwerk Heinrich

Schacht Heinrich: Pumpbetrieb und Instandhaltung
  • Einziehender Frischwetterschacht (Teufe: 409 Meter, Streckennetz: ca. 3000 Meter)
  • Kontinuierliche Wartung und Betreuung der zehn Hauptpumpen in der Pumpenkammer
  • Sicherstellung eines störungsfreien Betriebs der Wasserhaltung
Wetter- und elektrotechnische Prüfungen
  • Aufgrund des umfangreichen Streckennetzes aufwendiger als am Standort Robert Müser
  • Tägliche Kontrolle und Dokumentation zur Einhaltung der Betriebsanforderungen
Tauchpumpen im Blindschacht SO711
  • Vier Tauchpumpen in Betrieb zur Wasserhebung
  • Transport des gehobenen Grubenwassers über das Rohrleitungsnetz zu Schacht Heinrich 3
  • Weiterleitung nach über Tage und Einleitung in die Ruhr
  • Jährliche Revision sowie kurzfristige Reparaturen bei Störungen
  • Aktuelle Fördermenge: ca. 30 m³/min
Oberseilwechsel an der Köpeförderung
  • Sommer 2024: Austausch des ablegereifen Seils gemäß DMT-Bewertung
  • Gewährleistung der Sicherheit und Zuverlässigkeit der Anlage
Arbeiten am Fördergerüst Heinrich 3
  • Einzug neuer K-Verbände zur Stabilisierung der Tragstruktur
  • Montage erfolgt durch externe Fachfirma

Projektdetails

Arbeitsumfang

Schacht Arnold (Bergwerk Robert Müser)

  • Umstellung der Hauptbewetterung
  • Einbau einer zweistufigen Wetterschleuse im Schacht
  • Erweiterung und Verbesserung der Sonderbewetterung
  • Installation von Arbeits- und Kopfschutzbühnen
  • Rückbau aller übertägigen Einrichtungen

Schacht Gustav (Bergwerk Robert Müser)

  • Aufwältigung bis zur sechsten Sohle auf 4,6 Meter lichten Durchmesser
  • Installation von Tauchmotorpumpen
  • Sicherung des tiefsten Schachtbereichs
  • Rückbau alter Dammstrukturen
  • Einbau einer neuen Betonauskleidung des Schachtes

Technische Daten im Überblick

Bergwerk Robert Müser

Schacht Arnold (einziehender Wetterschacht)

  • Teufe: 576 m
  • Durchmesser: 7,6 m
  • Fahrgeschwindigkeit der Koepe-Förderanlage: 1 m/s

Schacht Gustav (ausziehender Wetterschacht)

  • Teufe: 576 m
  • Durchmesser: 2,7–3,2 m
  • Fahrgeschwindigkeit der Trommelanlage: 0,3m/s
  • Abgedämmt bei 362 m
  • Mächtigkeit des Hängedammes: ca. 2 – 3 m Dammrohre DN 700

Bewetterung

  • Hauptgrubenlüfter auf der Wettersohle (362 m Teufe)

 

Bergwerk Heinrich

Schacht Heinrich 3 (einziehender Wetterschacht)

  • Teufe: 409 m
  • Streckennetz: ca. 3.000 m

Holthuser Tal (ausziehender Wetterschacht)

  • Teufe: 409 m

Blindschacht SO711

  • Teufe: 764 m
  • Pumpen: 4 Tauchpumpen bei ca. 460 m Teufe
  • Pumpenkammer

Unsere Projekte
Aktuelle & abgeschlossene Arbeiten

Drohnenaufnahme der Baustelle Schacht Großgartach und Kochendorf: Großprojekt Energiewende "SuedLink"

Großgartach und Kochendorf: Großprojekt Energiewende

Teufen der Schächte Großgartach und Kochendorf zur untertägigen Trassenführung

Drohnenaufnahme Förderturm Woodsmith Mine Baustelle

Woodsmith Mine

Bau von drei Schächten für das Woodsmith Bergwerk in North Yorkshire, UK

Bergwerk Nezhinsky

Teufen von zwei Gefrierschächten für das Kali-Bergwerk Nezhinsky der OOO Slavkaliy in Belarus

Grafische 3D-Darstellung des Eisenerzbergwerks Malmberget in Schweden - Underground Sinking Plant

Eisenerzbergwerk Malmberget

Konzeptstudie zum Teufen zwei neuer Schächte

Schacht Konrad 2

Sanierung und Ausbau des Schachtes und Auffahrung angeschlossener Grubenräume

Uralkali Bergwerk Ust-Jaiwa

Teufen von zwei Gefrierschächten für das Uralkali Bergwerk Ust-Jaiwa in Russland